RM520N-GL RGMII Interface Slower than QMI

Device Dual-Q 5G2PHY with RM520N-GL module.
Firmware RM520NGLAAR01A08M4G configuration 01.205.01.205

Settings what was made:

AT+QCFG=“data_interface”,0,0
AT+QETH=“eth_driver”,“r8125”,1
AT+QCFG=“pcie/mode”,1
AT+QCFG=“usbnet”,0
AT+QMAPWAC=1
AT+QMAP=“MPDN_rule”,0,1,0,1,1,“FF:FF:FF:FF:FF:FF”
After that i’m able to get internet via RJ45.
But when i set AT+QMAPWAC=0 , and connect via USB QMI via Windows 11 , i’m able to get avarage DL 950Mps , but when i change AT+QMAPWAC=1 , perform restart and connect via RJ45 speed are up to 450Mbps , and no more…

Is it possible to have more via such setup ?

1 Like

Dear @MiG41
Did you use RTL8125 PHY? It is also related with the speed of PHY.

Please try to use PCIe interface.
AT+QCFG=“data_interface”,1,0

I belive i did use RTL8125 PHY… This chip is on the device , i use RJ45 network cable and connection … ( just to be sure , USB cable is unplugged…)

This setting not influence on anything compared to
AT+QCFG=“data_interface”,0,0

Speed is identical , DL 950Mbps thru USB , and 450Mbps thru RJ45…

I saw ,that newer fw is availble , 01.206.01.206 ( i have 01.205.01.205) , it have some improvement ? Could you please send it for test…

Thanks to @bean.wang-q for the table…

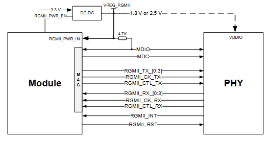
I think there are to be clarify about the RGMII interface…
According to the scheme

and

which of these is better,also considering that they are indicated for the module in the LGA version.
This is to point out that M2 modules are limited in pin and are designed for usb & pci-e,that to interface with eth they need an external phy…review the above schematics and consider which can be faster: a native QPS615 to eth_mac or a QPS615 to RTL8125 to eth_mac?

Dear @MiG41
RM520N doesn’t have RGMII interface.
Use AT+QCFG=“data_interface”,1,0 to set the network port communication via PCIe interface .
The command takes effect after the module is rebooted.

Please check how you connect PHY with module.

Dear @silvia , i switched to AT+QCFG=“data_interface”,1,0 last time , and havn’t noticed any improvement ( and this setting is still aplied , not changed back to 0,0 ).

I have device Dual-Q 5G2PHY from here: Dual-Q 5G2PHY Quectel 5Gnr Ethernet PHY adapter design for RM520N RM50 – 4G discount

So how this would be working thru RJ45- ethernet cable ( and to be sure USB cable is disconnected from anything) without RGMII ?
On 5G2PHY there is RTL8125 chip , and i have connection thru ethernet ( slower then USB , but there is).

Dear @MiG41
For our EVB kits, use PCIe interface.
Please contact with 5G2PHY to check how they connect with RM520N.

So maybe better , tell me , how this connection should look like ( Pin xx on RTL8125 should be connected to Pin xx of m.2 socket. ect).

Anyway is there another way to connect RTL8125 to RM520N-GL to work , other then RGMII ?

I am trying to measure the throughput available from RM520N-GL to my main router, passing through the RTL8125. I tried installing iperf3 on the RM520N, and it works as expected, but it saturates the CPU at 100% when running the test. So, I do not think these numbers are the real throughput available, but only a lower bound.

If anyone knows a better way to test the local throughput, I would love to hear about it.

Dear @MiG41
Here is the pin for RTL8125 and RM520N:
RTL8125:


RM520N:

Here is reference circuit, RM520N like host, RTL8125 like module.


e

2 Likes

Dear @Antares
Actually, CPU load is 100%, it also impact the speed.

If I remember correctly, the modem CPU usage was at 100% only with iperf3. CPU usage stayed low under similar throughput from standard internet connection. That’s why I think those numbers are not terribly useful to understand the maximum internet speed achievable with the modem through RTL8125.

Thanks @silvia, for reference circuit.
I make this consideration, correct me please…
M.2 standard “B key” can utilize up to two PCIe lanes, the RM520 has one PCIe lane.
PCIe 3.0 has data rate of 1 GBps per lane!Data rate up to 8 Gbps in total.
PCIe lanes (two pairs of traces) are the physical link between the PCIe supported host and module.
PCIE_RX_P&M and PCIE_TX_P&M are the PCIe (v 3.0 for RM520) Serial Data Output pin,
both have PCIe x1 lanes so this is the serial differential output link running at 5 GT/s as supported by RTL8125.

RM520 could extend the RGMII interface through the PCIe Switch chip, such as QPS615,is it not built in the M2 module?
QPS615 chip connects to the host via PCIe running at Gen 3.0 and supports two PCIe physical function (PF).
Regards

I verified all pins ,so all of this 8 connection are beetween RTL8125B and m.2 socket.

How else would i get connection from RJ45 (with supplys this RTL8125 B …) ?

Aslo on device from MCUZone called MR5210
https://pl.aliexpress.com/item/1005005714195628.html?gatewayAdapt=glo2pol
It is written:
2.5G Ethernet: It can directly convert 5G network to 2.5G wired Ethernet output ,a dnd the actual speed can reach 600Mbps+;

Maybe they already know , that this 600Mbps is a limit ?

Dear @bamarcant
As mentioned before, RM520N doesn’t have RGMII interface.

Dear @MiG41
Actually, you can check with MCUzone and check if there are any limitations for the board.

Now i was able to veryfy it with RM551N-GL ,and this one was able to do a speedtest thry RJ45 with ~900Mbps (with actually can ba a max for this tower).

So looks like RM520N-GL is simply to week ( or less probable a bug in fw) to use full speed thru such ethernet connection.