RG501Q-EU ESIM (consumer QR code esim)

Dear Quectel and users,

We would like to provision consumer ESIM (with QR code from an operator) on RG501Q-EU.
I’ve scanned the QR in order to get server and activation code - here’s how I try to provision it.

As you see there’s missing “add_profile” command (in list of supported options), but when I execute it: there’s no error. For some reason the profile is not added afterwards, do I miss something or this isn’t supported ?

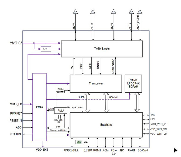
Could it be that RG501Q-EU supports ESIM (as shown on hardware diagram), but the current firmware is still not supporting this feature ?

Can I get a firmware with working “add_profile” command ?

Regards,
Peter

Just found in Quectel_RG50xQ&RM5xxQ_Series_eSIM_LPA_Application_Note_V1.0.pdf that I need to add profile with “./quectel_lpad” - could you please send me the tool ?

Quectel ( @Jason ) / @demabg , right the PDF you mention is at URL https://forums.quectel.com/uploads/short-url/hQDPVOqtTwgWqjvyyrWEtS1y1Q4.pdf .

Indeed it says to install e-SIM profiles you need to use Quectel’s separate program quectel_lpad .

Is there any rationale for this, indeed why did the AT commands not work, @demabg was it clear to you why those AT commands did not work or were not supposed to work, or did you experience a bug and with a later firmware version they started working later?

Asked further about e-SIM functionality on this thread Which Quectel modems have eSIM / eUICC functionality? Do Quectel models have different levels of e-SIM support? How use e-SIM? .