Hello guys. I am working a project that I use L86 m33 Module. Than I found a schematic as a opensource.
İs these schematic work? And may I use L86 m33 module as a I2C with this schematic?
Thanks for help.
L86 m33 Module has only uart interface…
L89 R2.0(dual band) and LC76G are for I2C
But as ı see these 2 modules have a I2C communication.
go to https://soldered.com/productdata/2023/01/Soldered_L86-M33_datasheet.pdf
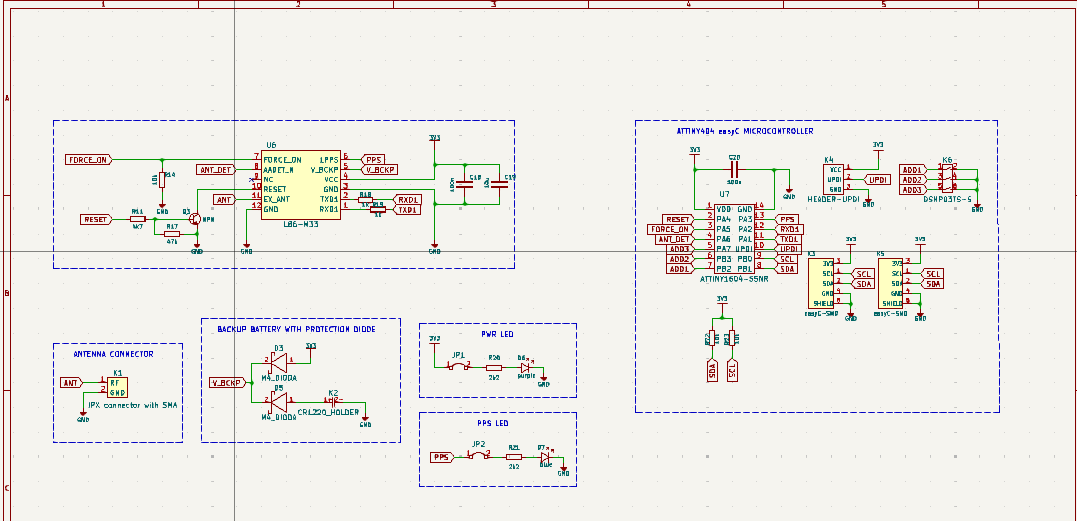
from GNSS-GPS-L86-M33-breakout-hardware-design/OUTPUTS/V1.2.0/GNSS GPS L86-M33 breakout Schematics.pdf at main · SolderedElectronics/GNSS-GPS-L86-M33-breakout-hardware-design · GitHub
only tx & rx…
P.S.
this one has (probably) an UART-I2C bridge chip on board.
from GNSS-GPS-L86-M33-breakout-hardware-design/OUTPUTS/V1.2.0/GNSS GPS L86-M33 breakout Schematics.pdf at main · SolderedElectronics/GNSS-GPS-L86-M33-breakout-hardware-design · GitHub
only tx & rx…
need I2C_SCL & I2C_SDA pinout as here:
P.S.
this one has (probably) an UART-I2C bridge chip on board.
claimed as easy-system…
Thanks for your help. So the first schematic that ı posted is a right way to ı2c?
Yea, it may work, be in the same easyC-system…
for a for final confirmation better ask Contact - Soldered Electronics.
1 Like




